Yksityiskohtainen kuvaus löytyy Tuotteen kuvaus -maamerkistä
Kellokytkin Hager Cronotec digitaalinen EGN103 1K/16A 2m DIN-kiskolle
HAGER- Tuotenumero: 502279765
- EAN-koodi: 3250618502435
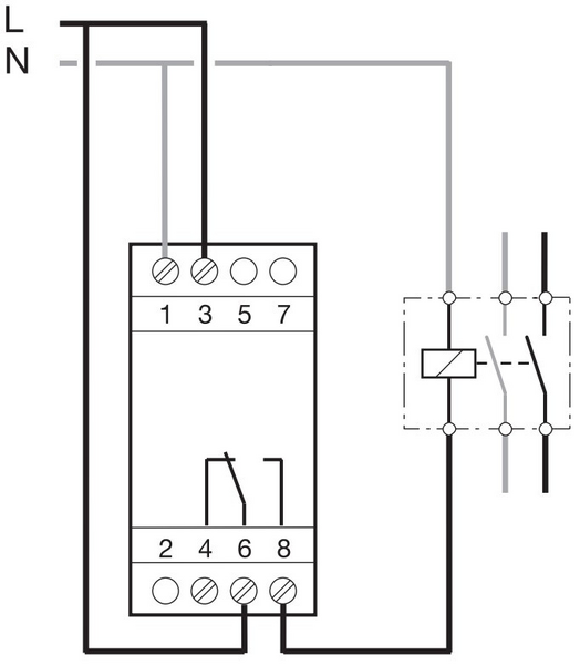
Digitaalinen Cronotec-viikkokellokytkin, jossa 1 vaihtokosketin (16 A) ja 2 moduulia. Käytetään kuormien ajastettuun ohjaukseen.
115€/kpl
Myymäläsaatavuus
- Tuotenumero: 502279765
- EAN-koodi: 3250618502435
Digitaalinen Hager Cronotec-viikkokellokytkin kuormien ajastettuun ohjaukseen. Jos kelloon liittää Bluetooth-tekniikkaa hyödyntävän ohjelmointiavaimen (lisätarvike), on mahdollista rakentaa mobiilisovelluksella kello-ohjelmia ja tallentaa niitä myHager-pilvipalveluun. Kellokytkimessä on väliaikainen ja pysyvä pakko-ohjaus. Selkeä digitaalinen palkkinäyttö mahdollistaa käytössä olevan ohjelman havainnoimisen. Kesä- ja talviajan päivitys tapahtuu automaattisesti. Varakäynti noin 5 vuotta. TEKNISET TIEDOT: - korkeus: 90 mm - leveys: 35,8 mm - syvyys: 61,6 mm - vaihtokosketin: 1 kpl - moduulit: 2 kpl - asennustapa: DIN-kisko - kotelointiluokka: IP20 - nimellisvirta: 16 A - syöttöjännite: 230 V - varakäynti vuosissa: 5
Pakkaus
- Paino
- 0.195 kg
- Korkeus
- 9 cm
- Pituus
- 6.16 cm
- Leveys
- 3.58 cm

